广州正凌自动化科技有限公司
客户至上 诚信经营 开拓创新 求实合作 不断完善 不断创新
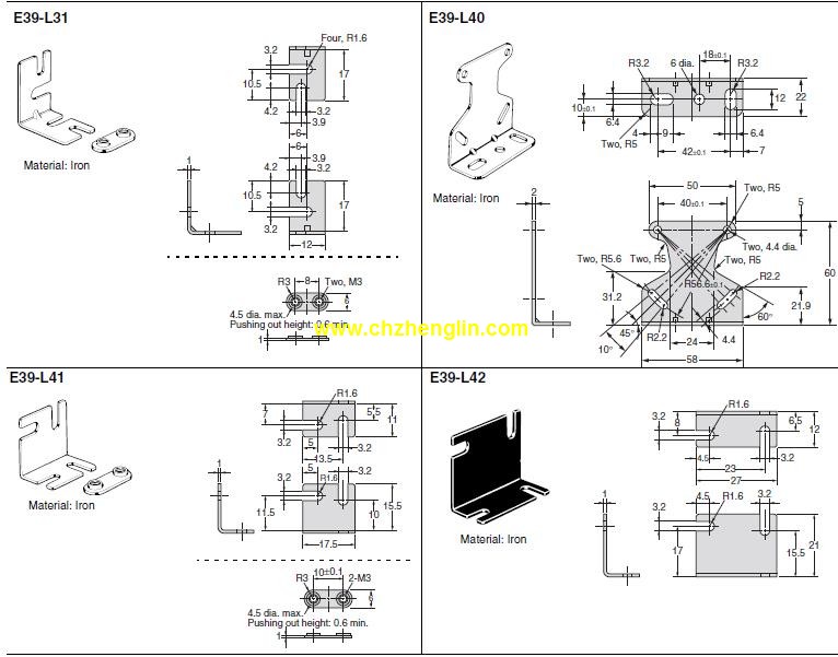
首 页 >> 产 品 >> 欧姆龙 >> 传感器 >> 光电传感器 >> 光电传感器外围设备 >> E39-L143适用传感器(传感器侧安装孔距):E3X-HD

E39-L143适用传感器(传感器侧安装孔距):E3X-HD

欧姆龙E39-L143说明书手册
E39-L143 选型资料选型手册

欧姆龙E39-L143产品信息及技术参数:
品牌: 欧姆龙
产品名称: 安装支架
型号: E39-L143
支架材质:不锈钢 (SUS304)。
适用传感器(传感器侧安装孔距):E3X-HD
E3X-SD/NA
E3X-DA-S/MDA
E3C-LDA
E2C-EDA
E4C-UDA。

欧姆龙E39-L143其它性能说明:
种类:端子台型,温度输入型。
本体:控制输出1点型(电源AC/DC24V用)。
外壳颜色:黑色。
控制输出:继电器输出。
控制模式:标准。
辅助输出点数:--欧姆龙E39-L143。
加热器用断线、SSR故障、加热器过电流检测功能:--。
事件输入点数:--。
传送输出:--。
通信:--。
48×24mm的通用温控器已升级&功能/性能提升E39-L143
指示精度提升、增加了预防维护功能,性能进一步提升
提供端子台型和无螺钉夹具端子台型。
增加PV/SV状态显示功能,方便查看温控器的状态
(自动/手动、RUN/STOP、报警发生),可交互显示PV/SV欧姆龙E39-L143。
增加控制输出ON/OFF次数计数功能,
可预防维护温控器内部继电器。
3种颜色显示切换当前值(PV)。
适用支持软件(CX-Thermo-Ver.4.2以上)。
可11段数字显示。
提供报警输出1点型和2点型。端子部形状:导线直出型。
保护管直径D:φ4.8mm。
保护管长度L:50cm欧姆龙E39-L143。
导线种类:一般用。
品种丰富的温度传感器系列。
在以往的M3螺钉对应品的基础上,
追加有助于降低配线工时的棒状端子对应品。
温度传感器是用作温控器的热感应部件。
可根据要测量的温度、场所、 周围环境选择。
备有种类、形状、 长度及端子部形状各异的产品欧姆龙安装支架。
尺寸:48×48mm。
控制输出1:继电器输出。
控制输出2:--。
辅助输出:独立2点。
电源电压:AC100~240V。
端子类型:螺钉端子台型。
输入类别:全量程多输入。
加热器断线、SSR故障检测功能:--。
通信:--。
事件输入:2点。
远程SP输入:--。
传送输出:有。
使用大字体PV显示(白色),提高可视性欧姆龙安装支架。
选择、操作及设定简便。
输入输出点数等的功能性能充实。
支持应用范围更为广泛。
采用高15.2mm的PV显示(白色),提高可视性。
实现50ms的高速采样。
带辅助输出(大3点)、事件输入(大4点)、传送输出、
远程SP输入功能,支持各种应用程序欧姆龙安装支架。
E5CC具有进深60mm的纤细机身。
使用通信转换电缆(另售)与计算机相连
后,无需电源接线即可设定。
也可通过CX-Thermo(另售)轻松设定。
通过无程序通信轻松与PLC相连。
通过组件通信可联合温控器。种类:直流3线式//导线引出型E39-L143。
形状:屏蔽,M30。
检测距离:15mm。
输出形式:NPN。欧姆龙E39-L143。
动作模式 NC。
长距离型接近传感器。
长为30mm的长距离检测,可有效减少工件冲撞事故。
无极性规格,因此可简单配线(直流2线式)。
采用标准导线护套以防断线。
保护回路:浪涌吸收、负载短路保护。


...更多相关型号 >>>>